Ahojte, nevie niekto aký je rozdiel pri týchto 2 modeloch?
K 3200 sa mi nepodarilo zohnať Service manual, mám len k 3000.
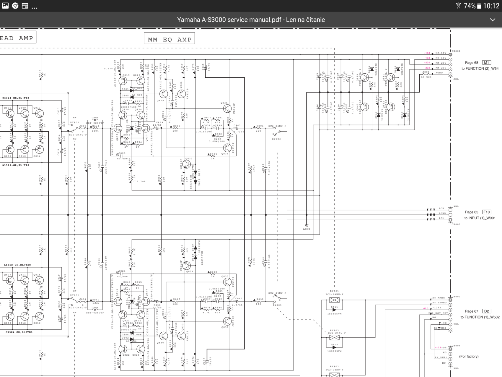
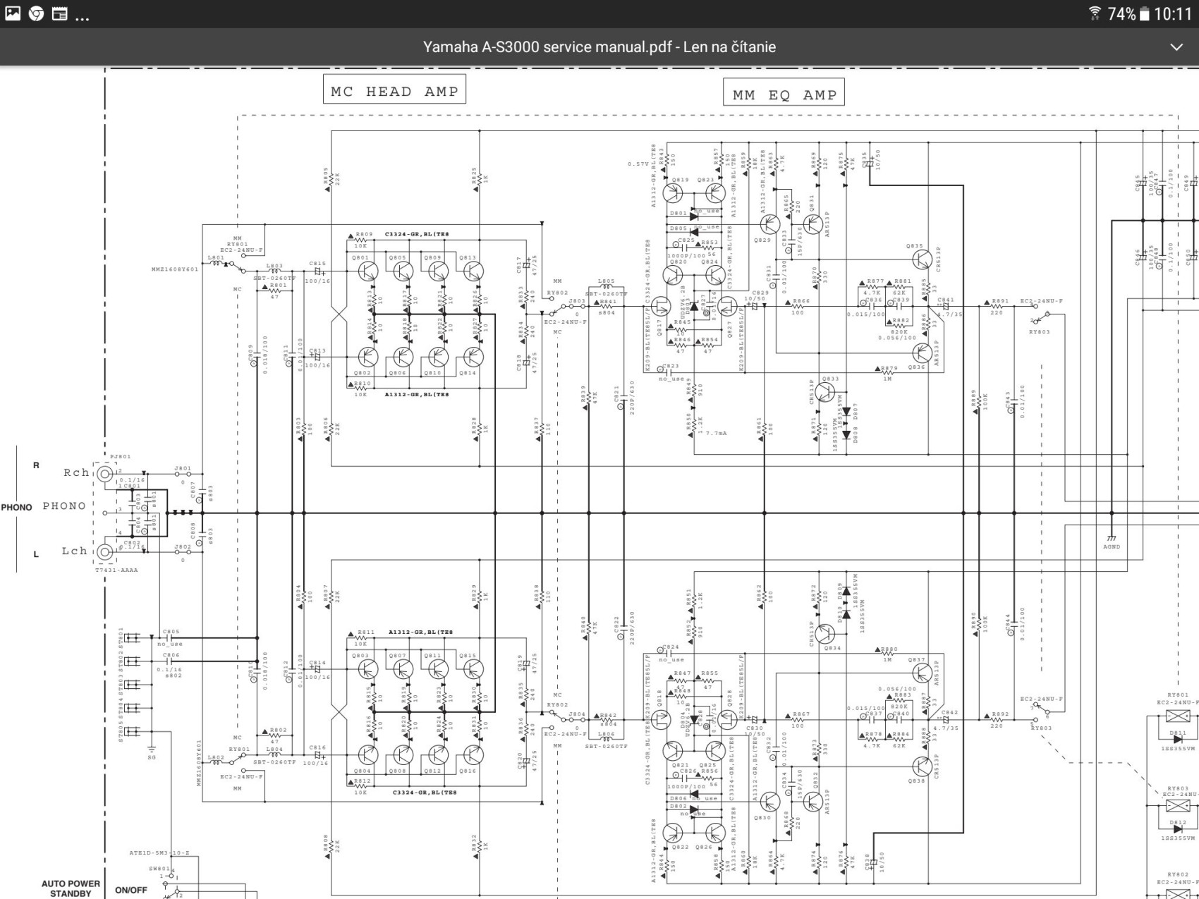
Dám tu pár printscreenov ohľadne gramofónového predzosilovača, ktorý mi kamarát ( vyrába si sám zosilovače ) chválil a dokonca si podľa neho urobil kópiu.
Yamaha A-S 3000 vs Yamaha A-S 3200
Re: Yamaha A-S 3000 vs Yamaha A-S 3200
Nezobralo všetky printscreeny. Čo už.
-
jarda-hifista
- Příspěvky: 274
- Registrován: 02 kvě 2018 11:56
- Kontaktovat uživatele:
- Vybavení
Re: Yamaha A-S 3000 vs Yamaha A-S 3200
Ahoj! Tady bys nenašel?
https://europe.yamaha.com/en/products/a ... oduct-tabs
https://europe.yamaha.com/en/products/a ... oduct-tabs
Re: Yamaha A-S 3000 vs Yamaha A-S 3200
Ahoj, servisné manuály na stránkach výrobcov nenájdeš, lebo tie sú určené pre servisné strediská.
Súbory jpg už zobral.
Súbory jpg už zobral.
Kdo je online
Uživatelé prohlížející si toto fórum: Žádní registrovaní uživatelé a 4 hosti


